Description
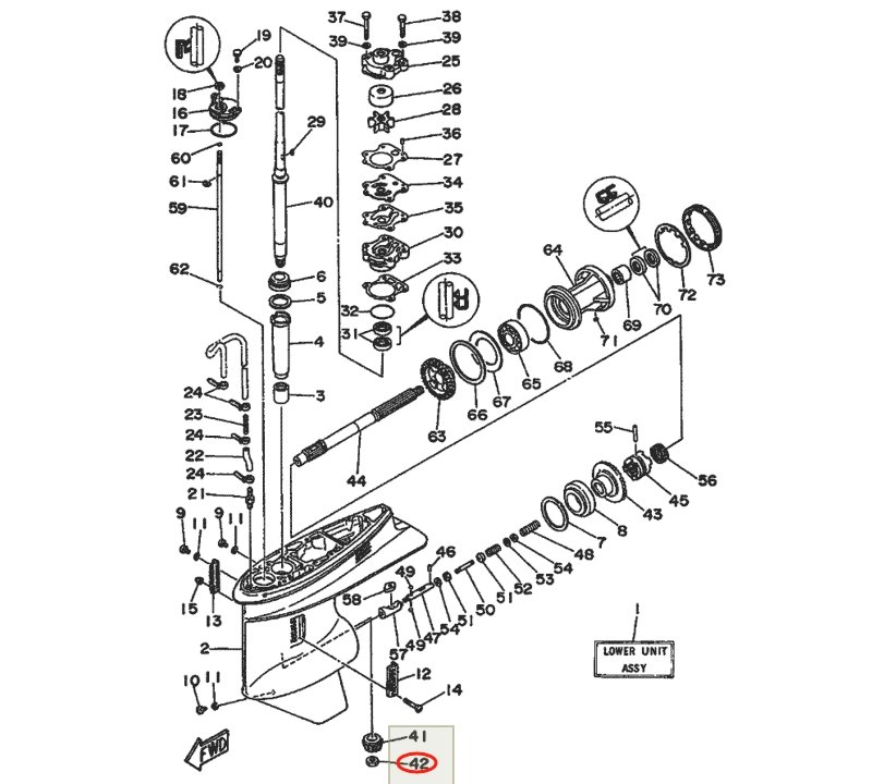
Search Yamaha part by OEM part numbers: 90170-16M01-00, 9017016M0100, 90170-16M01, 9017016M01, 90170 16M01
New part Nut, Yamaha, 90170-16M01-00
- For Outboard: Yamaha FT60, Yamaha F185, Yamaha F165, Yamaha F125, Yamaha F75, Yamaha Z200, Yamaha LZ200, Yamaha L200, Yamaha Z175, Yamaha D150, Yamaha FT50, Yamaha Z150, Yamaha LZ150, Yamaha L150, Yamaha FL200, Yamaha FL150, Yamaha FL115, Yamaha L130, Yamaha L140, Yamaha F130, Yamaha F175, Yamaha FL175, Yamaha 100, Yamaha 115, Yamaha 130, Yamaha 140, Yamaha 150, Yamaha 175, Yamaha 200, Yamaha 220, Yamaha 225, Yamaha 25, Yamaha 50, Yamaha 60, Yamaha 70, Yamaha 75, Yamaha 80, Yamaha 85, Yamaha 90, Yamaha F100, Yamaha F115, Yamaha F150, Yamaha F200, Yamaha F40, Yamaha F45, Yamaha F50, Yamaha F60, Yamaha F70, Yamaha F80, Yamaha F90, Yamaha F95





